Проектирование и шефмонтаж дробильно-сортировочных комплексов
Шеф-монтаж Дробильно-сортировочного оборудования
Завод МКЗ оказывает услуги по монтажу, шеф-монтажу, электромонтажу, пуско-наладке и настройке КиПА дробильно-сортировочного оборудования производства ООО «Миасский конвейерный завод №1» а так же производителей фирм-партнеров России, Европы таких как METSO, Sandvik, ARJA ,PSP, MININGLEND и т.д.
Оказываем весь перечень услуг от этапа проектирования до запуска линии, инженерный контроль работы линии.
- Консультации по выбору и расстановке элементов ДСК под задачи заказчика;
Опытные инженеры ООО "МКЗ №1" подберут перечень оборудования по ТЗ заказчика, исходя из требуемой производительности дробильно-сортировочного комплекса, коммерческих задач по получению готового фракционированного продукта, особенностей местности и климата, химического и гранулометрического состава исходного материала итд.
- Проектирование ДСК (собственное конструкторское бюро);
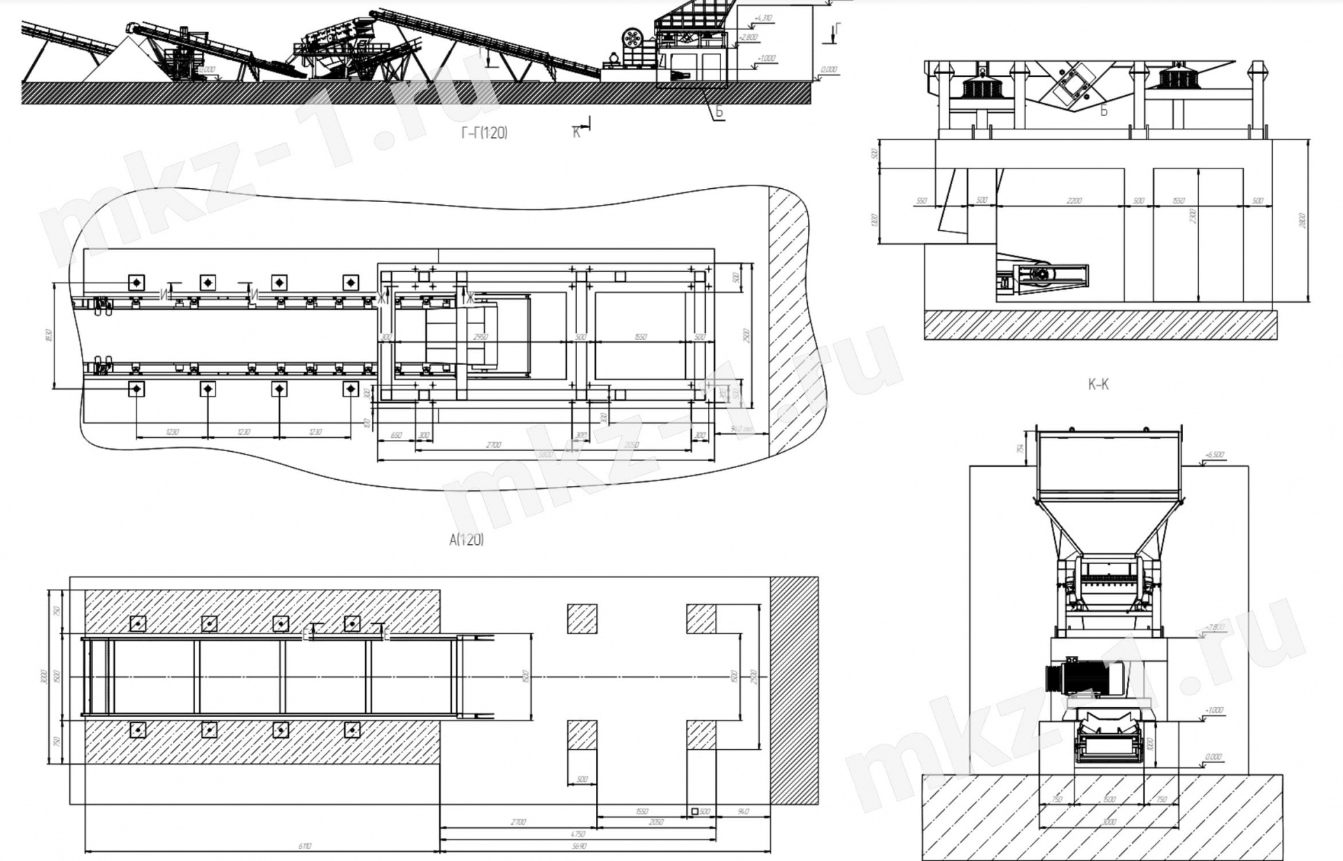
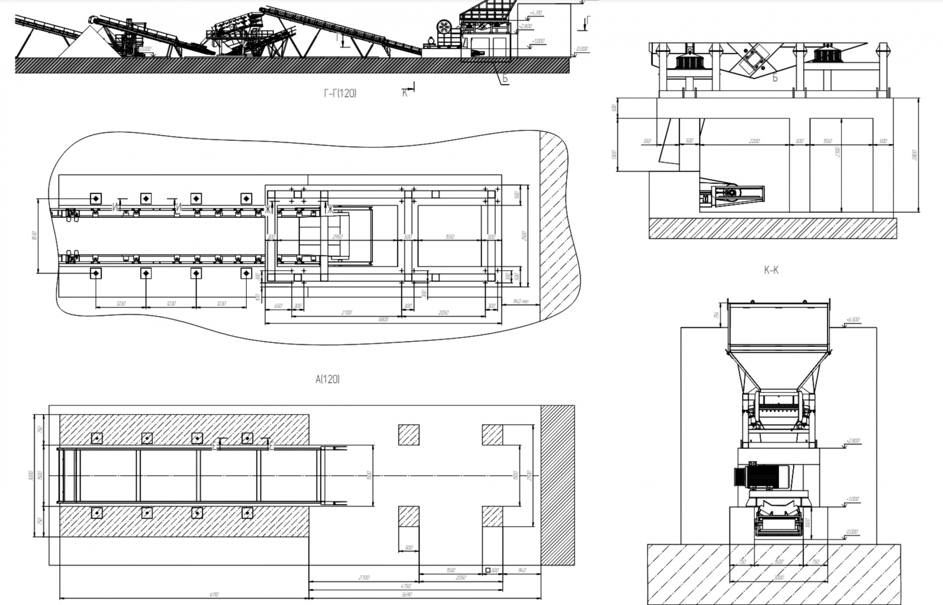
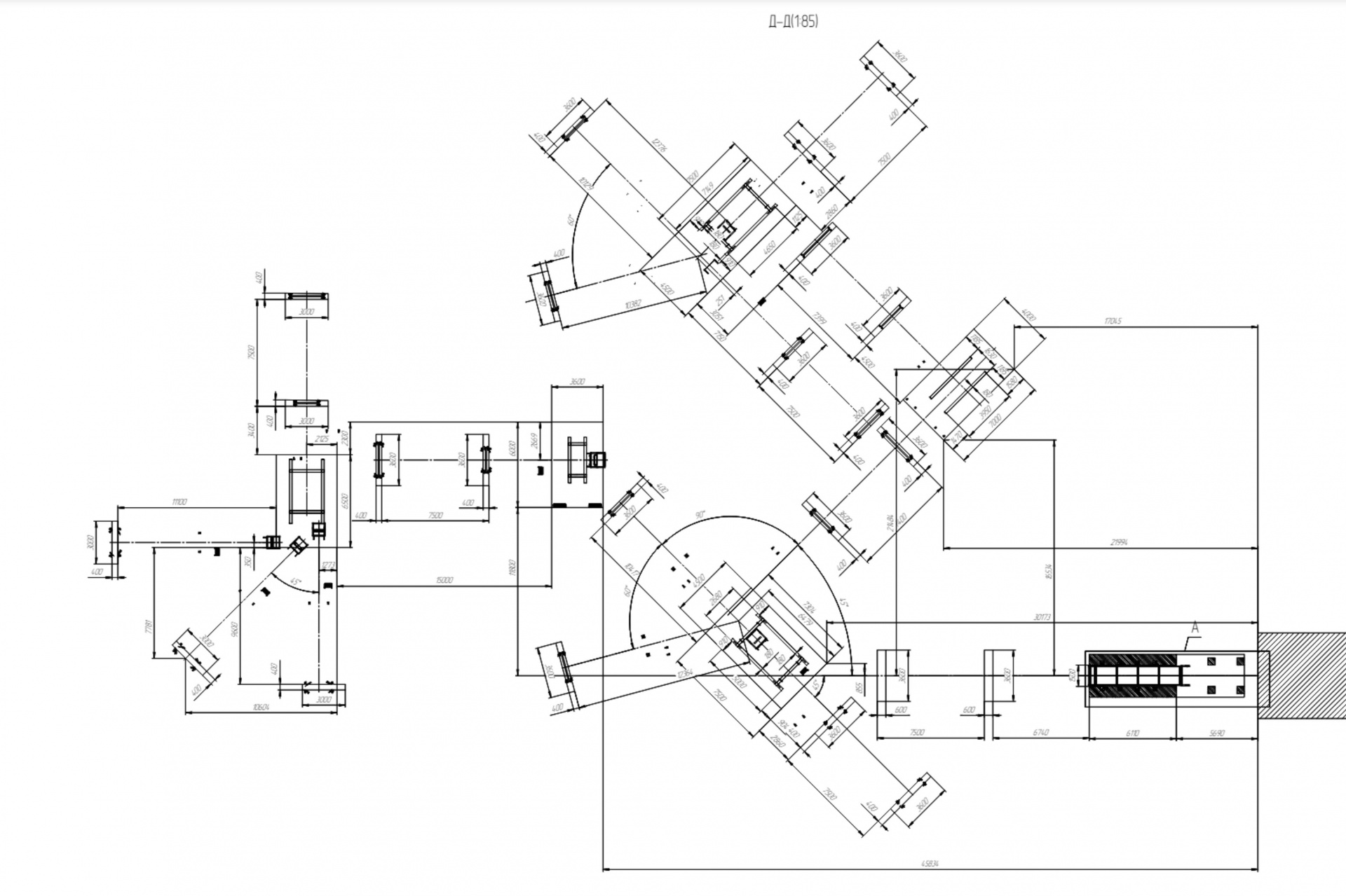
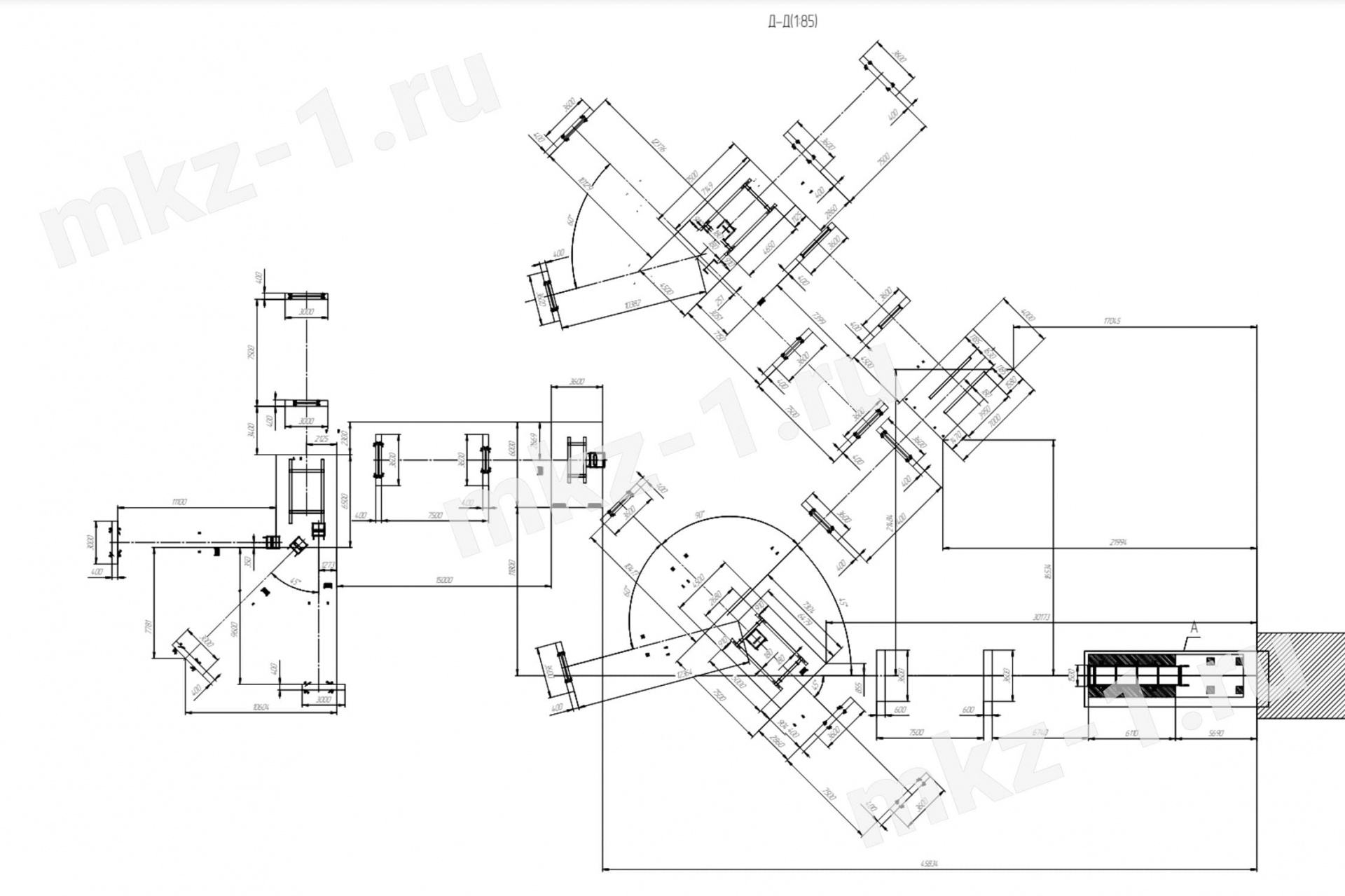
Конструкторы подготовят фундаментное задания ДСК любой сложности. ООО "МКЗ №1" разработано уже более 300 (трёхсот) проектов дробильно-сортировочных линий разной специфики.
Одностадийные, двух и трёхстадийные. Линейные комплексы и ДСК замкнутого цикла. Стационарные и полумобильные. Комплексы с промывкой и без. Производительностью от 100 до 500 тонн в час с входным куском до 1200 мм. От Симферополя до Якутии.
Наши клиенты специализируются на переработке совершенно разных форм сырья: Габбро-диорит, диабаз, гранодиорит, базальт, ПГС, ЩПС, отходы ЖБИ итд., что требует гибкого подхода на этапе проектирования Дробильно-сортировочного комплекса и тщательного подбора оборудования.
Конструкторский отдел ООО "МКЗ №1" имеют базу готовых проектов под разные задачи клиентов. А также готовы разработать индивидуальную схему ДСК под ваши требования.
С выездом на объект, либо дистанционно.
- Собственное производство широкого спектра ДСО;
Под брендом TORNADO ООО "МКЗ №1" производит высококачественное оборудование для получения кубовидного щебня с низким процентом лещадности.
* Дробилки щёковые: СМД-110, СМД-108, СМД-109
* Дробилки роторные TORNADO-100, TORNADO-150, TORNADO-300 производительностью от 50 до 300 тонн в час.
* Конвейеры ленточные с пылезащищенными роликами.
* Питатели ленточные, пластинчатые ТК-15 и ТК-16 и вибрационные ПВ-100, ПВ-150, ПВ-300.
* Грохоты ГИЛ, ГИС и ГИС усиленные, и бункеры.
Мы специализируемся на производстве оборудования для дробления абразивных материалов средней и высокой степени твердости.
Также производим:
- Конвейеры под ключ,
- Натяжные и приводные станции конвейеров ленточных,
- Роликоопоры любых конфигураций,
- Грохоты ГИС и ГИЛ,
- Ролики конвейерные пылезащищенные,
- Дробилки роторные для получени кубовидного щебня TORNADO-100 и TORNADO-150,
- В наличии: Дробилки щёковые СМД-108, СМД-109, СМД-110.
- Шеф-монтаж/монтаж;
Инженеры ООО "МКЗ №1" выезжают на объект, консультируют специалистов заказчика, составляют план монтажа, рекомендуют к использованию необходимые дополнительные материалы и комплектующие, строительную технику итд. Руководят монтажной бригадой заказчика. Инженер курирует объект с момента сборки до запуска.
- Пуско-наладочные работы;
Технические специалисты ООО "МКЗ №1" обеспечат запуск линии, настройку всех ее элементов для дальнейшей бесперебойной работы.
Протестируют Дробильно-сортировочный комплекс и каждый его отдельный элемент под нагрузкой.
- Обучение персонала заказчика;
Инженер завода обучит персонал заказчика специфике управления и обслуживания ДСК. Определит оптимальные решения для разных условий и режимов работы конкретной линии.
- Собственное производство широкого спектра ДСО;
- Инженерный контроль работы линии.
Наши инженеры поддерживают реализованные проекты и нередко выезжают с авторским контролем на производства заказчиков, выявляя и корректируя ошибки в работе обслуживающих бригад и операторов ДСК, оптимизируя тем самым процесс работы линии заказчика.
- Производство станций управления Дробильно-сортировочных линий;
Собственное производство шкафов и пультов управления ДСК, предназначенных для удобной и безопасной работы оператора.
- Поставка кабельной продукции для подключения ДСК;
- Электромонтажные работы по подключению ДСК любой сложности с использованием качественных комплектующих;
На работы, проводимые специалистами ООО "МКЗ №1", как и на выпускаемое оборудование предоставляется гарантия.
Ремонт и выезд на ТО плановое, пост гарантийное, поставка и замена изношенных расходных элементов и запчастей на Питатели всех типов Вибрационные серии ПВ, конвейерного типа ПКТ, пластинчатые ПП, щековые дробилки первичного дробления серии СМД Валы, станины , щека СБ, корпуса, подшипники, плиты дробящие подвижные и неподвижные, футеровки боковые из литья марки 110Г13Л и более стойкие к абразиву марки Hardox H-400, Н-450, Запчасти и рем комплекты грохотов серии ГИЛ, ГИС, ГИТ, валы, привода и корпуса подшипников, привод грохота СБ, запчасти роторных дробилок серии Тornado 100, 150, 300 тонн в час а именно: Било дробящие, отражательные плиты, футеровка H-450, Ремонт и замена ролики конвейерные рабочей ветви, поддерживающие, гуммированные ролики, роликоопоры заменить поставить новые, замена изношенных барабанов приводных и непереводных, замена футеровки приводных барабанов, замена ленты путем вулканизации и мех.стык ленты.

