Роторная дробилка DUNE-120 – Самая производительная модель из линейки DUNE. Производительность - до 120 т/ч.
Применяется в дробильно-сортировочных комплексах средней и высокой производительности на позиции третичного дробления.
«ДЮНА-120» создана для получения кубовидного щебня за один проход.
На входе материал до 90 мм, а на выходе - 0-20 мм с лещадностью 5-15%.
Технические характеристики
| DUNE-120 | |
|---|---|
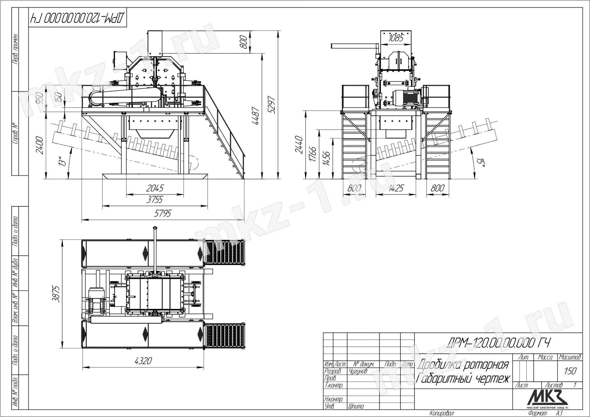
| Производительность (т/ч) | до 120 |
| Мощность электромотора (кВт) | 200 |
| Входное окно (мм) | 140×1000 |
| Макс. размер входного куска (мм) | 90 |
| Количество бил на роторе (шт.) | 4 |
| Вес (т) | 10.4 |
| Габариты (ДхШхВ) (мм) | 2000 х 1520 х 1900 |
| Настройка камер дробления | Гидравлическая |
- Электродвигатель.
- 4 Била из композитной металлокерамики XWIN (Бельгия).
- Отражательные плиты – хромистый чугун с дополнительными легирующими присадками (CrMo) – Испания.
- Футеровка – Износостойкие сплавы MAGSTRONG + стали 110Г13Л.
- Кран для замены расходных материалов.
- Шкив ведущий, шкив ведомый .
- Ремни.
- Защитный кожух.
- Металлическая полумобильная структура поддержки на салазках, с площадками обслуживания, лестницей, перилами, площадкой под электродвигатель.
- Входной и разгрузочный бункеры.
- Шкаф управления с Устройством плавного пуска.
Завод МКЗ специализируется не только на роторных дробилках, а производит также:
- Щековые дробилки серии СМД, серии ДРО,
- Грохоты инерционные серии ГИС,
- Ленточные конвейеры,
- Питатели вибрационные и пластинчатые,
- Бункеры и металлоконструкции.
Наше предприятие имеет собственный конструкторский отдел и десятки реализованных проектов в сфере дробления и сортировки за спиной.
Это позволяет разрабатывать и поставлять дробильно-сортировочные комплексы для получения кубовидного щебня под ключ.
Посетить завод МКЗ, стать нашим гостем, очно увидеть производство, получить личную консультацию инженеров можно связавшись с нами по тел: +7 (982) 112-00-45.
| Производительность (т/ч) | 120 |
| Мощность электромотора (кВт) | 200 |
| Входное окно (мм) | 140×1000 |
| Макс. размер входного куска (мм) | 90 |
| Количество бил на роторе (шт.) | 4 |
| Вес (т) | 10.4 |
| Габариты (ДхШхВ) (мм) | 2000 х 1520 х 1900 |
| Настройка камер дробления | Гидравлическая |
Погрузка дробильно-сортировочного оборудования осуществляется силами производителя. Доставка и разгрузка выполняются силами Покупателя.
Большая часть оборудования нашего производства соответствует транспортным габаритам, разрешённым для перевозки по территории РФ и РК. В 95% случаев достаточно обычных крытых еврофур длиной кузова 13 м и грузоподъёмностью до 20 тонн.
Мы отправляем продукцию по всей России и Республике Казахстан. В Акмолинской области доставка возможна в Астану, Косшы, Караоткел, Акколь, Шортанды и другие города.
Для оборудования массой более 20 тонн применяется открытая перевозка на автомобильной платформе (трале). Например, щековая дробилка ДРО-750 транспортируется со снятой подвижной щекой и имеет общий вес около 40 тонн.
Ленточные конвейеры перевозятся в разобранном виде: ролики и роликоопоры упаковываются в штабели, приводные и натяжные станции, конвейерные рамы и лента занимают отдельные места.

